



MRS2系列熱過載繼電器(以下簡稱熱繼電器),適用于交流50Hz/60Hz、工作電壓至660V,電流從0.1 A - 630A不間斷或斷續工作制一般用于交流電動機過載及斷相保護。產品性能穩定,動作可靠。
產品符合GB14048.4,GB14048.5,IEC60947-4-1,IEC60947-5-1等標準。
1、海拔不超過2000m。
2、周圍空氣溫度上限值不超過+40℃,且其24h內的平均溫度值不超過+35℃,下限值不低于-5℃;
3、安裝地點的空氣相對濕度在最高溫度為+40℃時不超過50%.在較低溫度下可以有較高的相對
濕度,例如20℃時達90%。對于溫度變化偶爾產生的凝露情況應采取特殊措施。
4、污染等級為3級。
5、安裝類別為111類:
6、安裝面與垂直面的安裝傾斜角度不超過士50,應安裝在無顯著振動和;中擊的地方。
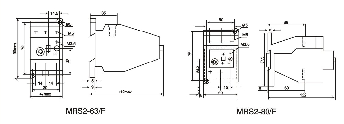
1、具有二種安裝方式,組合式安裝直接插入接觸器,分立式可單獨安裝或安裝在導軌上。
2、具有差動式斷相保護和溫度補償裝置。
3、整定電流連續可調。
4、具有自動和手動復位按鈕。
5-有測試按鈕和脫扣指示。
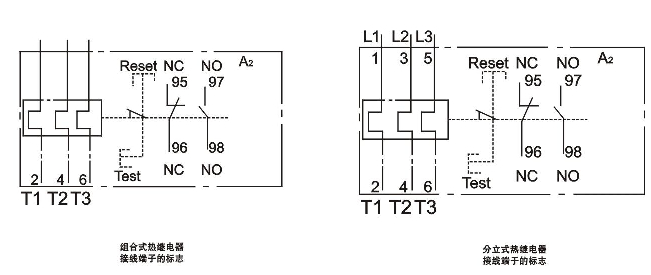
6、具有在電氣上相互絕緣的一常開一常閉觸頭。
1、主要技術參數
2、輔助觸頭技術參數
3、保護特性
4、熱繼電器時間一電流特性曲線圖
注:a、曲線2為二相通電特性曲線3為三相通電特性曲線。
b、本圖為產品的冷態開始時的時間一電流動作特性曲線。產品熱態的時間一電流動作特
性,一般減少至冷態動作時間的25%。

a、訂購MRS2系列熱過載繼電器時說明產品型號,規格,整定電流范圍,安裝方式,訂貨數量;
b、熱過載繼電器在運輸,保管,使用時均不遭受雨雪侵襲:
c、安裝在成套開關箱中的熱繼電器之間或與其它元件之間的距離不得小于50毫米:
d、安裝好的開關箱或其它設備在使用前,如果復位桿處于手動位置時,就必須將藍色的復位桿按下,
常閉觸頭閉合后才能正常使用。
